이번 작업을 끝으로 더 이상 차를 뜯어볼 일은 없을 것 같다


BCM 바디컨트롤모듈에 커넥터가 4개나 꽂혀있는데 BCM-B 커넥터에
11번, 13번, 24번, 25번, 29번에 핀이 새로 꼽히거나 분기 예정~
11번 13번은 있더라구여
각각 센터 콘솔 기어박스 쪽으로 두가닥, 범퍼쪽으로 한가닥 전면유리로 한가닥
니로 수출형에는 자동 와이퍼 기능이 있는데 내수용에는 왜 풀옵에도 안넣어주는데~
경기도 어디 업체는 배선 작업, 활성화 하는걸로 20만원 달라던데..요?
누가보면 본인이 기능 만든 줄..;;
음 부품값만 레인센서 6만원 껍대기 5천원, 배선 5천원 내가 배선작업 해도 30분 컷이던데? GDS 진단기로 딸깍 하는거 많이 줘도 2만원 (실제론 배선 BCM에 꽂아주기만 해도 활성화 ㅋㅋ)
활성화만 해주면 내가 배선 정리하고 유리창에 달겠다고 하니까 업자냐며 재수없게 말하시길래 환불 받고 끝남


그래서 외국 전용 기아 회로도 수소문에 찾아내어 공유 한당~
21년식 이하
레인센서 모듈 부품번호 96000 A2000
레인센서 커넥터 부품번호 99999 00051 AS
레인센서 커버 부품번호 96010 C1000
22년식 이상
레인센서 모듈 부품번호 96000 N9000
더뉴 니로 자동 와이퍼 레인 센서
니로 레인센서 활성화
니로 우적감지
디 올뉴 니로 레인센서 활성화
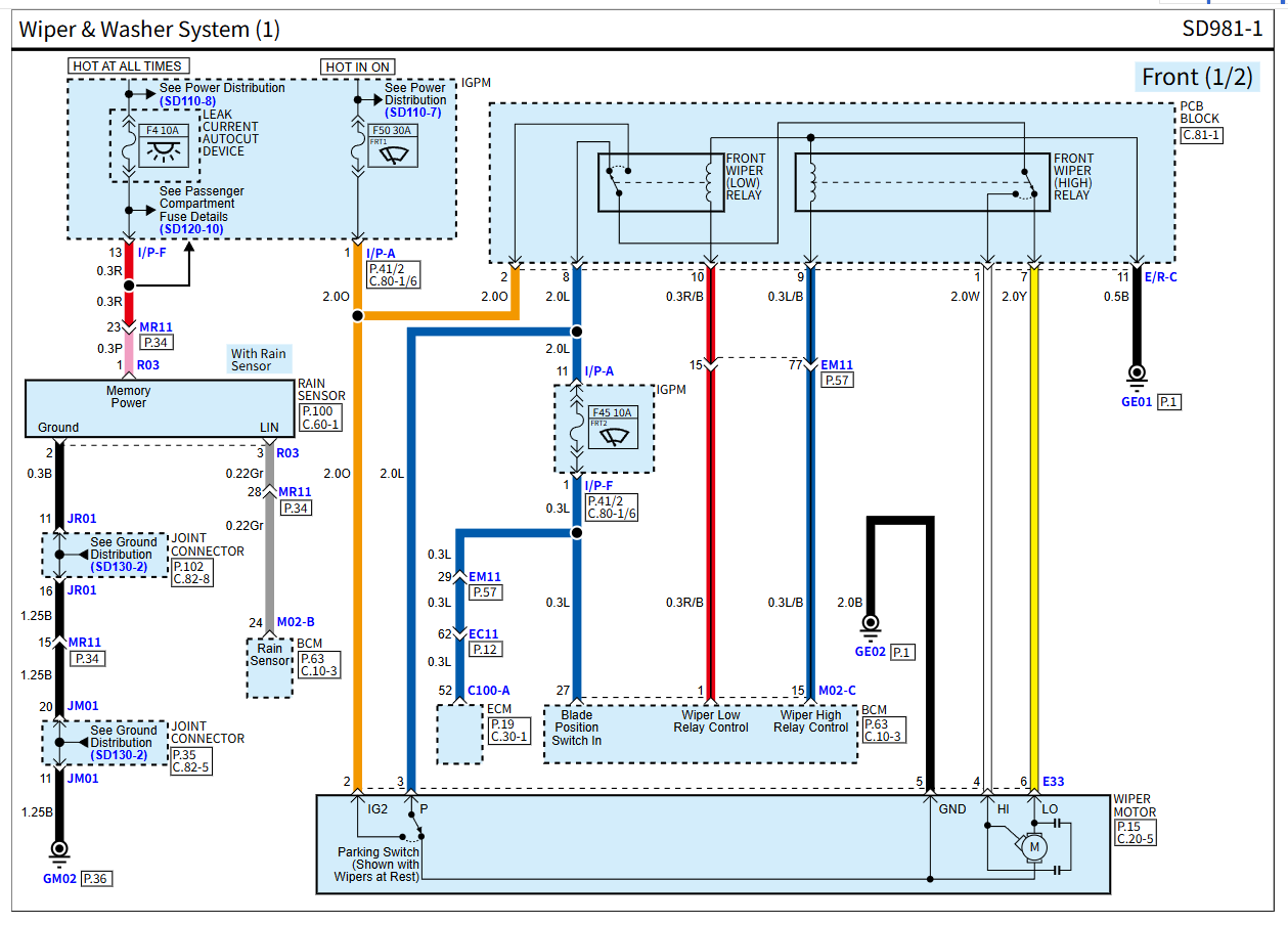
니로 레인센서 회로도
니로 레인센서
더뉴니로 우적감지
니로 활성화
니로 자동와이퍼
디올뉴니로 우적감지
ㅋㅋ
24번과 29번에 핀 연결 해주고 레인센서 전원은 운전석 쪽에서 연결 해주면 끝
그냥 바로 와이퍼 auto 모드 활성화 ㅋㅋ


BCM-C 커넥터에는 3번 커넥터에 핀을 하나 꼽아주고~
(근데 이미 있음)

마지막 BCM-D 커넥터에는 14번과 15번을 새로 꼽아주었다~


그 옆에는 스마트키 유닛 모듈이 있는데
여기에는 무선충전패드에 가야하는 신호선 한가닥 22번을 연결
이제 조수석에서 해야 할 배선들은 모두 연결했다

운전석으로 돌아와 퓨즈박스 뒤편 IGPM-F 커넥터에서 13번 핀을 벗겨내 레인센서 전원선을 연결해주고

36번에 하나, 13번에 하나 연결해준다
그리고 B-CAN 통신에도 두가닥 연결해주고 무선 충전과 전방 센서, 레인센서 배선은 끄읕
접지는 아무대나 물렸어여


전조등을 LED 풀 헤드램프로 바꾸기 위해
퓨즈박스 쪽에 I/P-A 커넥터에서 4가닥 I/P-D 커넥터에서 1가닥 연결~

32번에 핀이 없어야 하는데 있길래 아 여기서부터 실외 나가기 전
커넥터 까지는 풀옵 기준 배선이구나~ 하고 절단 연결해버렸꼬

여기 16번, 17번, 31번, 32번 새로 핀 꽂아 연결해 주었읍
하 진짜 이제 여기서부터 고난인데
차안에서 엔진룸쪽으로 총 5가닥 + 2가닥이 나가야 하는데 선이 또 뭉치니까
겁나 두툼해져서 도저히 방법이 안보이는겨
그대로 의자에 앉아 30분을 멍때렸땅

어찌저찌 뚫어 연결한 모습

개판 5분전 실내상태

개판 오분전 지하주차장 한 자리..

유독 깨끗해보이는 배관같은게 새로 어거지로 쑤셔넣은 모습

저 관 정리를 위해선 컴퓨터의 뇌를 잠깐 떼두어야 했음

(안보이지만) 깔끔하게 정리하고 뇌 다시 껴주기

결국 구멍 뚫기 실패 후 좌절한 나
2편에서는 이제 자동와이퍼 장착 & 코딩 완료
그리고 무선충전패드, LED 헤드램프와 새로운 범퍼와 함께하는 전방센서 장착까지
사진이 많진 않겠지만 가져오겠다~
답글 달기